Bonjour,
j'aimerai comprendre le rôle d'un inveseur unipolaire à 2 directions dans un simple montage pour étudier le comportement d'une inductance en courant contnu
rôle d'un inverseur unipolaire
Modérateur : Modérateur
rôle d'un inverseur unipolaire
Merci de me répondre
Cordialemnet,
Adam
Cordialemnet,
Adam
voilà le schéma
- Pièces jointes
-
- LenDC1.jpg
- (30.18 Kio) Téléchargé 504 fois
Merci de me répondre
Cordialemnet,
Adam
Cordialemnet,
Adam
-
JP
- Administrateur

- Messages : 2328
- Inscription : 23 sept. 2003 19:14
- Localisation : Strasbourg
- Contact :
Hello,
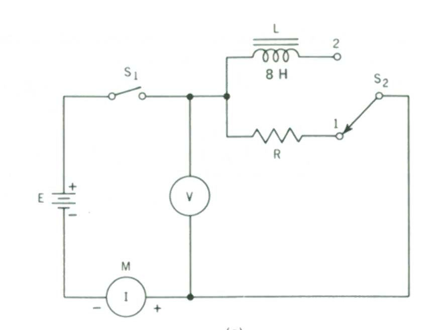
Position 2 : la tension E est appliquée à L
Passage de 2 à 1 : Ohhhh la belle bleue ( pic de tension qui crée un arc électrique )
Position 1: La résistance chauffe.
Je me trompe peut être, sinon je ne vois pas l'intéret de ce montage.
Tu l'as trouvé où ?
JP de retrour apres quelques jours de maladie
Position 2 : la tension E est appliquée à L
Passage de 2 à 1 : Ohhhh la belle bleue ( pic de tension qui crée un arc électrique )
Position 1: La résistance chauffe.
Je me trompe peut être, sinon je ne vois pas l'intéret de ce montage.
Tu l'as trouvé où ?
JP de retrour apres quelques jours de maladie
Ca clignote !!!!
Moi non plus surtout avec des appareils de mesure qui ne permettent pas de voir les phénomènes transitoires. 8 henry la bobine ???sinon je ne vois pas l'intéret de ce montage
Ceci dit ça ressemble à un montage d'étude de physicien et donc ça ne sert à rien.
Vince
http://anyedit.free.fr/
http://electropol.free.fr/
Les amis, ça va, ça vient, mais les ennemis, ça s’accumule.
http://anyedit.free.fr/
http://electropol.free.fr/
Les amis, ça va, ça vient, mais les ennemis, ça s’accumule.
inverseur unipolaire
Merci à toutes les personnes qui m'ont répondu
Adam
Adam
Merci de me répondre
Cordialemnet,
Adam
Cordialemnet,
Adam

