Bonjour à tous
Comme je viens de m en apercevoir, personne ne connait ce logiciel où on n a pas besoin de connaitre l ASM ... Merci à l Administrateur de m avoir répondu
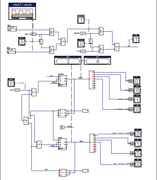
Je vous envoie le schémas d un compteur 00 à 99 avec Reset que j ai réalizé schématiquement en 10 mn ... Aprés c est ce logiciel qui fait le reste ASM et fichier HEX que je programme avec Icprog ... Là j ai choisi un 16F84 ayant assez d entrées - sorties.
Apparemment le JE CONNAIS PAS est du à ce que vous ne possedez point ce logiciel et je suis pret si l Administrateur est d accord de lui envoyer le CDROM en me donnant ses coordonnées en MP et je peux méme le contacter sur un poste fixe de son choix. Afin de retransmettre aux interessés qui ont des difficultés en ASM.
Le but est de créer une rubrique sur ce logiciel qui vaut de l OR à condition de savoir s en servir et c est trés simple.
Au plaisir de vous relire et merci d avance ...
SCHWAZ
Réalizer 4.00 (Suite)
Modérateur : Modérateur
Réalizer 4.00 (Suite)
- Pièces jointes
-
- SCHEMAS.jpg (23.01 Kio) Consulté 6330 fois
-
- SIMULATION (MPASM).jpg (39.15 Kio) Consulté 6329 fois
-
JP
- Administrateur

- Messages : 2328
- Inscription : 23 sept. 2003 19:14
- Localisation : Strasbourg
- Contact :
Salut SCHWAZ,
Si tu souhaites faire un petit tutorial explicatif sur l'utilisation de Realizer n'hésites pas.
Si tu veux y mettre des images de facon plus structurée que les pièces jointes, tu peux me les envoyer par mail je les mettrai sur le site.
Une petite remarque sur Realizer, c'est dommage qu'il ne fonctionne que pour les PIC et les ST, pour l'instant.
a+
JP
Merci pour ta proposition, mais pour ma part j'ai trouvé la version d'évaluation (Realizer Bronze) sur le site d'Actum, donc pas de problème pour le testerApparemment le JE CONNAIS PAS est du à ce que vous ne possedez point ce logiciel et je suis pret si l Administrateur est d accord de lui envoyer le CDROM en me donnant ses coordonnées en MP et je peux méme le contacter sur un poste fixe de son choix. Afin de retransmettre aux interessés qui ont des difficultés en ASM.
Si la demande s'en fait ressentir, ça sera avec plaisir que je ferai une rubrique.Le but est de créer une rubrique sur ce logiciel qui vaut de l OR à condition de savoir s en servir et c est trés simple.
Si tu souhaites faire un petit tutorial explicatif sur l'utilisation de Realizer n'hésites pas.
Si tu veux y mettre des images de facon plus structurée que les pièces jointes, tu peux me les envoyer par mail je les mettrai sur le site.
Une petite remarque sur Realizer, c'est dommage qu'il ne fonctionne que pour les PIC et les ST, pour l'instant.
a+
JP
Et un compilateur (voire debbuggeur) qui passe de l'algorithme au fichier objet ? quelqu'un en a un ??
Vince
http://anyedit.free.fr/
http://electropol.free.fr/
Les amis, ça va, ça vient, mais les ennemis, ça s’accumule.
http://anyedit.free.fr/
http://electropol.free.fr/
Les amis, ça va, ça vient, mais les ennemis, ça s’accumule.
-
JP
- Administrateur

- Messages : 2328
- Inscription : 23 sept. 2003 19:14
- Localisation : Strasbourg
- Contact :
Il y a Algorithm Builder pour les AVR :
http://algrom.net/english.html
(Pas sûr que se soit ce que tu cherches ...)
http://algrom.net/english.html
(Pas sûr que se soit ce que tu cherches ...)

