rôle d'un inverseur unipolaire

Un schéma avec des résistances, des condos et des bobines ? C’est la bonne rubrique.

Modérateur : Modérateur

Adam
NOUVEAU
NOUVEAU
Messages : 6
Inscription : 22 déc. 2005 11:24
Localisation : France
Contact :

rôle d'un inverseur unipolaire

Message par Adam »

Bonjour,
j'aimerai comprendre le rôle d'un inveseur unipolaire à 2 directions dans un simple montage pour étudier le comportement d'une inductance en courant contnu
Merci de me répondre
Cordialemnet,
Adam
JP
Administrateur
Administrateur
Messages : 2328
Inscription : 23 sept. 2003 19:14
Localisation : Strasbourg
Contact :

Message par JP »

Bonjour Adam et :welcome: ,

Un inverseur unipolaire à 2 positions et 3 pattes :
position 1 :
patte 2 connectée à la patte 1
position 2 :
patte 2 connectée à la patte 3
pour étudier le comportement d'une inductance en courant contnu
Tu as peut être un schéma ?

a+
JP
Ca clignote !!!!
Adam
NOUVEAU
NOUVEAU
Messages : 6
Inscription : 22 déc. 2005 11:24
Localisation : France
Contact :

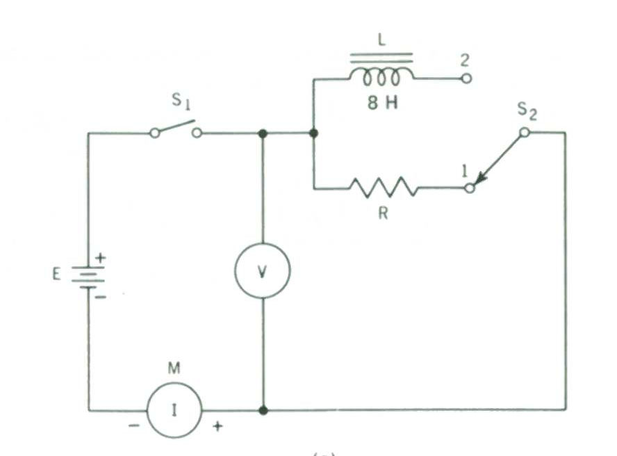
voilà le schéma

Message par Adam »

Pièces jointes
LenDC1.jpg
(30.18 Kio) Téléchargé 504 fois
Merci de me répondre
Cordialemnet,
Adam
JP
Administrateur
Administrateur
Messages : 2328
Inscription : 23 sept. 2003 19:14
Localisation : Strasbourg
Contact :

Message par JP »

Hello,

Position 2 : la tension E est appliquée à L
Passage de 2 à 1 : Ohhhh la belle bleue ( pic de tension qui crée un arc électrique )
Position 1: La résistance chauffe.

Je me trompe peut être, sinon je ne vois pas l'intéret de ce montage.
Tu l'as trouvé où ?

JP de retrour apres quelques jours de maladie
Ca clignote !!!!
Avatar de l’utilisateur
vincevg
ACCRO
ACCRO
Messages : 803
Inscription : 05 mars 2005 16:58
Localisation : SMalville
Contact :

Message par vincevg »

sinon je ne vois pas l'intéret de ce montage
Moi non plus surtout avec des appareils de mesure qui ne permettent pas de voir les phénomènes transitoires. 8 henry la bobine ???

Ceci dit ça ressemble à un montage d'étude de physicien et donc ça ne sert à rien.
Vince
http://anyedit.free.fr/
http://electropol.free.fr/

Les amis, ça va, ça vient, mais les ennemis, ça s’accumule.
Adam
NOUVEAU
NOUVEAU
Messages : 6
Inscription : 22 déc. 2005 11:24
Localisation : France
Contact :

inverseur unipolaire

Message par Adam »

Merci à toutes les personnes qui m'ont répondu
Adam
Merci de me répondre
Cordialemnet,
Adam
Répondre